<tr id="FZyBVh"></tr>
    <em></em>

      1. <dl id="FZyBVh"></dl>

        IEC61032 Test Probe 41 BND-41

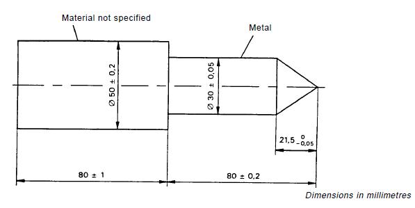
        Product Description:Technical Parameters:1,Test Rod Diameter: 30mm2, Rigid Finger Length:80mm3,Handle Diameter:50mm4,Handle Length:80mm5, According to : IEC61032:1997 Figure 16
        Description

        Product Description:

        Technical Parameters:

        1,Test Rod Diameter: 30mm

        2, Rigid Finger Length:80mm

        3,Handle Diameter:50mm

        4,Handle Length:80mm

        5, According to : IEC61032:1997 Figure 16


        Appliance :

        This probe is intended to verify the protection against access to glowing heating elements.


        IEC61032 Test Probe 41-1

        IEC61032 Test Probe 41-2

        ZljGSjavascript:void();
        <tr id="FZyBVh"></tr>
          <em></em>

            1. <dl id="FZyBVh"></dl>